CM570开关柜智能操控装置
                                                                中置柜手车柜固定柜、环网柜
                            
                            才茂 CM570 系列为开关柜智能操控装置(以下简称智能操控)是厦门才茂通信经过多年的实践及工程应用, 是我公司针对电力开关柜研制开发的一款新型多功能、模拟动态指示的智能装置。本产品适用于中置柜、手车柜、固定柜、环网柜等多种开关柜。
                            样机申请
                            产品特性
才茂CM570系列为开关柜智能操控装置(以下简称智能操控)是厦门才茂通信经过多年的实践及工程应用, 是我司针对电力开关柜研制开发的一款新型多功能、模拟动态指示的智能装置。本产品适用于中置柜、手车柜、固定柜、环网柜等多种开关柜。
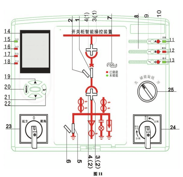
装置本身具有动态一次模拟图,带电显示及闭锁、电能参数测量、温湿度智能控制、断路器分合闸以及预分预合状态指示、储能指示、接地开关状态指示、手车位置指示、分合闸回路完好指示、人体红外感应(选配) 、语音防止误操作提示、远方/就地 操作、远程通信、柜内照明等功能。您若选配了高压带电体无线测温探头,还可进行多点带电体的无线测温(最多 12 点) 。
装置采用 128*128 点阵液晶作为显示界面,操作界面更友好,更简洁,是美化、简化柜面的不错之选。装置还采用了铁电存贮技术和高精度的时钟芯片对事件进行记录。
技术参数
▋主要功能
本产品可以根据用户要求实现一次回路设备开关状态指示、电能参数测量、温湿度智能控制、柜内照明开关以及断路器操控等功能。装置以一体化布局配套装备于开关柜, 简化了过去开关柜的面板结构设计,美化了面板布局, 取代现有的一次回路模拟指示牌、电磁式开关状态指示器、接地指示器、储能开关、断路器分/合、预分/预合开关等多种控制指示器件。
产品带有高精度时钟功能、事件记录功能、手动负载控制功能、个性定制负载输出等功能。这些人性化的设计,更加方便您的操作。
装置安装方便、使用寿命长,完全可以满足电力行业的需求,能够保障电气的安全可靠运行。
主要
产品尺寸






